編輯:上海雙高閥門(集團)有限公司
日期:2020-10-14 訪問:4121
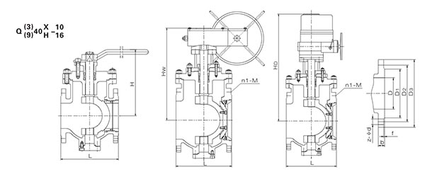
Q40系列上裝式偏心半球閥

一、結構特點及用途
本系列閥門除具有普通球閥流阻小、啟閉迅速、密封性能好等優點外,還具以下特點:
1、本閥采用偏心結構,閥門在關閉過程中,閥座與球體間的密封比壓迅速增加,從而確保了密封副的可靠密封。當閥門開啟時,閥座與球體迅速脫離,有效的減小了操作力矩,并使閥座表面與球冠球面間的擦傷可能性降到最低。
2、壓力損失小,全開時損失為零,流道完全暢通,且介質不會沉積在閥體中腔內。
3、使用壽命長,閥門無易損部件,由于偏心的作用,閥門啟閉時無摩擦,使閥門的壽命大大延長。
4、維修方便,球冠和支承體從閥門上部裝入,檢修時只需打開閥蓋吊出球冠和支承體而不必將整個閥門從管道上卸下來,這給地下管線,特別是原子能工業用球閥帶來很大方便。
5、本系列閥門體積小,重量輕,具有雙向止水功能,廣泛適用于水、蒸汽、煤氣、天然氣、油品及含微小固體顆粒等場合。
二、執行標準
1、設計和制造:GB/T12237-1989
2、檢查和試驗:GB/T13927-1992;JB/T9092-1999
3、法蘭連接: JB/T78~79-1994
4、結構長度: QB/SG03-2002(企業標準)

上海雙高閥門(集團)有限公司 |
|||||||||||||||||||||
|
|||||||||||||||||||||