編輯:浙江開高閥門(保溫閥門系列)
日期:2019-05-20 訪問:44757
鋼制夾套法蘭
B.1 范圍
B.1.1 本附錄規定了鋼制夾套法蘭(PN系列)的公稱尺寸、公稱壓力、法蘭類型、尺寸、公差以及技術要求。
B.1.2 本附錄適用于公稱壓力等級PN16、PN25、PN40的全夾套管道連接用法蘭。
B.1.3 本附錄也適用于采用夾套管法蘭作為連接形式的閥門、泵、化工機械、管路附件和設備零部件。
B.2 公稱尺寸和鋼管外徑
本附錄適用的鋼管外徑包括A、B兩個系列,鋼管外徑按本標準表1.0.3的規定。夾套管的外管和內管公稱尺寸配合按表B.2的規定。

B.3 法蘭類型
B3.1. 本附錄規定的夾套法蘭連接型式有板式平焊夾套法蘭、帶頸平焊夾套法蘭和帶頸對焊夾套法蘭,如圖B.3.1所示。法蘭類型代號按表B.3.1的規定。


B.4 材料
夾套法蘭用材料按本標準第4章的規定。
B.5 壓力額定值
夾套法蘭的壓力額定值應按內管公稱壓力確定,且應符合本標準第7章的規定,大于或等于內管設計條件下的最大允許工作壓力。
B.6 尺寸
B.6.1 夾套法蘭密封面尺寸。
1 突面、凹面/凸面和榫面/槽面法蘭的密封面尺寸按圖B.6.1和表B.6.1的規定。
2 突面、凹面/凸面和榫面/槽面法蘭的密封面尺寸f1、f2包括在法蘭厚度C內(如圖B.6.1所示)。
3 夾套法蘭配用墊片的壓力等級按內管公稱壓力確定,墊片尺寸按對應的外管公稱尺寸確定。
B.6.2 夾套法蘭連接尺寸和結構尺寸。
1 PN16板式平焊鋼制夾套法蘭的連接尺寸和結構尺寸按圖B.6.2-1和表B.6.2-1的規定。
2 PN16和PN25帶頸平焊鋼制夾套法蘭的連接尺寸和結構尺寸按圖B.6.2-2和表B.6.2-2、表B.6.2-3的規定
3 PN16、PN25和PN40帶頸對焊鋼制夾套法蘭的連接尺寸和結構尺寸按圖B.6.2-3和B.6.2-4∽表B.6.2-6的規定。

圖B.6.1 夾套法蘭密封面尺寸
【突面(RF)、凹面(FM)/凸面(M),榫面(T)/槽面(G)】
表B.6.1 夾套法蘭密封面尺寸
【突面(RF)、凹面(FM)/凸面(M),榫面(T)/槽面(G)】





B.7 焊接接頭和坡口尺寸
B.7.1 內管與夾套法蘭的焊接接頭和坡口尺寸按本標準第9章的規定。
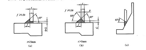
B.7.2 外管和夾套法蘭的焊接接頭和坡口尺寸按圖B.7.2的規定。

圖B.7.2 外管與夾套法蘭的焊縫尺寸
B.8 試驗、檢驗、驗收和包裝
法蘭的試驗、檢驗和驗收以及包裝等要求按本標準第11章、第12章及第14章的規定。
B.9 標記
B.9.1 夾套法蘭的標記按本標準第13章的規定。其中法蘭的公稱尺寸DN為內管×外管。
B.9.2 標記示例
示例1:公稱尺寸DN300×400、公稱壓力PN16,配用公制管的突面板式平焊鋼制夾套法蘭,材料為Q235A,其標記為:
HG/T 20592 夾套法蘭 JPL 300×400(B)-16 RF Q235A
配用的墊片規格為公稱壓力PN16,公稱尺寸DN400
示例2:公稱尺寸DN300×400、公稱壓力PN25,配用英制管的凸面帶頸平焊鋼制夾套法蘭,材料為20鋼,其標記為:
HG/T 20592 夾套法蘭 JSO 300×400-25 M 20
配用的墊片規格為公稱壓力PN25,公稱尺寸DN400
浙江開高閥門(保溫閥門系列) |
|||||||||||||||||||||
|
|||||||||||||||||||||