編輯:上海顯隆通風設備有限公司
日期:2021-03-18 訪問:2181


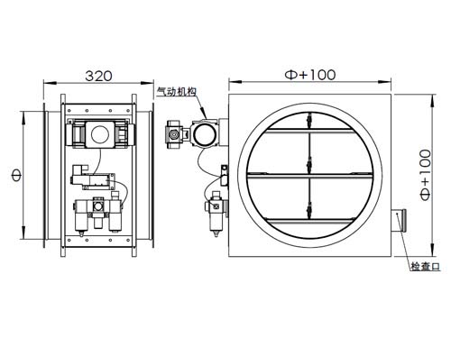
● 主要部件:閥體、閥葉、軸、軸襯、熔斷器、檢查口、執行機構
● 閥體和葉片全部采用優質鍍鋅鋼板制造,具有外表美觀、防腐性能好、產品使用壽命長等優點。
● 閥門的組合采用了目前國際上先進的鈑金連接技術——TOX無焊點連接工藝。
● 葉片與轉動軸之間設計了V形防滑結構,確保了葉片在高風速情況下不滑動、不松動。
● 葉片轉動軸承和聯桿轉動軸承均采用含油銅質粉末冶金軸套,無須加油,確保永久潤滑。
● 平時呈常開狀態,火災時切斷電源或氣源,閥門自動關閉并輸出關閉信號。
● 閥門可手動關閉或70 ℃熔斷器動作關閉。
● 閥門動作后通電通氣自動復位。
● 可以遠距離電氣式手動關閉。
● 可以增加防爆功能。
● W≥1250時,加中間框,葉片分隔。
● H≥1500時,執行機構裝2只。
上海顯隆通風設備有限公司 |
|||||||||||||||||||||
|
|||||||||||||||||||||