編輯:西安西馳電氣(產品說明書)
日期:2020-05-07 訪問:3128

CMC-SX系列漢顯智能型軟起動器是一款基于32位ARM核微控制器開發的電機軟起動器,是一種新型智能化的異步電動機起動裝置。它是集起動、顯示、保護、數據采集于一體的電機終端控制設備。用戶使用較少的元件,就可實現較復雜的控制功能。而中英文界面顯示又使得操作更趨簡便。
CMC-SX系列軟起動器型號的含義:

CMC-SX系列漢顯智能型軟起動器特點:
1、多種起動方式:限流軟起動、電壓指數曲線、電壓線性曲線、電流指數曲線、電流線性曲線,并可在每種方式下施加可編程突跳起動轉矩及起動電流限制。根據不同的負載,可以選擇相應的起動曲線,達到良好的起動效果。基礎算法使得電機起動、停止更加準確、平滑。
2、先進的通訊功能:配有RS485通訊接口,方便用戶網絡連接控制,提高系統的自動化水平及可靠性。Modbus/Profibus標準協議可選,方便組態連接。
3、模擬信號控制:用戶可輸入4—20mA或0—20mA標準信號,并可在操作面板上進行模擬量的上、下限設定,實現對電機起、停控制及報警。還可通過軟起動器進行數據(壓力、溫度、流量等)的傳輸。具有4—20mA或0—20mA標準信號輸出功能。
4、強大的抗干擾性:所有外部控制信號均采用光電隔離,并設置了不同的抗噪級別,適應在的工業環境中使用。
5、雙參數功能:軟起動器同時具備兩套不同功率電機控制參數,可控制兩臺不同功率的電機。
6、多種停車方式可編程軟停車、自由停車、制動剎車、軟停+制動剎車。
7、電源頻率自適應:電源頻率50/60Hz自適應功能。
8、動態故障記憶:多可以記錄15次故障。
9、完善的保護功能:全程檢測電流及負載參數,具有過流、過載、欠載、過熱、斷相、短路、三相電流不平衡、相序檢測、漏電檢測等微機保護功能。
10、友好的人機界面:采用LCD液晶顯示面板,具有中英文兩種顯示界面。
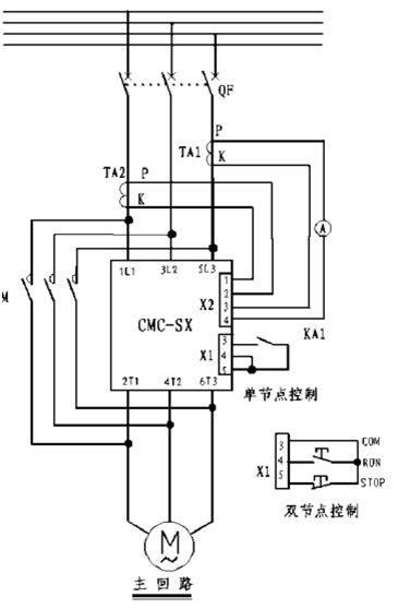
CMC-SX系列軟啟動器的基本接線示意圖

CMC-SX系列軟啟動器的典型應用接線圖

CMC-SX漢顯智能型軟啟動器的適配電機、型號、額定電流、旁路接觸型號、電流互感器和一次線規格說明:

軟起動器外形及開孔尺寸(單位:mm 以380V為例)

軟起動器選型:

訂貨型號說明:

更多有關 CMC-SX漢顯智能型軟啟動器的作用原理、特點、軟起動控制模式等資料可以直接登錄 http://www.xichi.cn/Service/downloads/typeid/3.html 進行下載!
西安西馳電氣(產品說明書) |
|||||||||||||||||||||
|
|||||||||||||||||||||