編輯:西安西馳電氣(產品說明書)
日期:2020-05-07 訪問:4628
一、植毛機概述
植毛機主要用于各種刷制品例如牙刷、頭梳、鋼絲刷、水果清洗機輥刷、磨毛毛刷輥等產品的植毛加工設備。為手搖式植毛機,后來發展為電動植毛機,隨著自動化的發展,現在已經開發出來各種電腦數控高速植毛機。數控植毛機根據加工產品的植毛形狀可以分為兩軸數控植毛機、三軸數控植毛機、四軸數控植毛機、五軸數控植毛機。植毛機的配套設備有:鉆孔機、剪毛機、磨毛機、打花機。
二、工作原理和結構
機械部分主要分為:機頭、機身、夾具三部分。
機頭是植毛機的主要機械部分,植毛的主要動作:取毛、切線、鐵線成型、鐵線扎住刷絲、將刷絲植入孔內。機頭主要通過連桿、凸輪結構實現以上主要動作。
機身是植毛機的主要架構,用于安裝機頭、電機、絲桿、工作臺、夾具。
夾具是用于安裝加工產品的裝置,根據不同的產品,不同的工藝,設計不同的夾具。
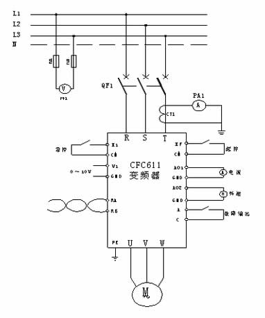
控制系統目前市場上數控植毛機基本上都采用伺服馬達或步進電機驅動,配備伺服驅動器或者變頻器進行控制。
三、應用方案
選用西馳電氣CFC611Z系列植毛機專用變頻器,帶動導輪電機做植毛動作,通過觸摸屏與變頻器通訊,控制器給定0~10V的模擬電壓信號控制頻率和轉速,實時監控植毛動態,避開中間控制環節,以求的植毛工藝。

動態響應快,加減速時間可設置為0.01S,能充分滿足快起快停的生產工藝;
模擬量輸入控制精度高,比例線性特性優越;
輸入電壓范圍寬,可達380VAC±15%;
直流制動效果顯著,滿足停機或急停時的工藝要求,無延遲、滯后現象;
標配485通訊接口,可方便與上位機或觸摸屏通訊連接操作;
機器體積小,方便安裝,可適用于卡扣式安裝;
鍵盤操作簡便,只有監控和系統兩個參數組,方便用戶調試操作;
保護功能齊全:過壓、欠壓、過流、過載、輸入輸出缺相、過熱、電流檢測故障、接地、通訊故障等;
四、應用案例



西安西馳電氣(產品說明書) |
|||||||||||||||||||||
|
|||||||||||||||||||||