編輯:高能閥門集團有限公司
日期:2020-06-04 訪問:1796

用途 User
調節與控制主閥的出口壓力,主閥出口壓力不因進口壓力變化而改變,亦不因主閥出口流量的變化而改變其出口壓力。可用于生活給水,消防系統及工業給水系統。
Regulating and controlling the outlet pressure of the main valve, the outlet pressure of the main valve shall not change due to the import pressure change, nor shall it change the export pressure due to the change of the main valve outlet flow. It can be used for water supply, fire protection system and industrial water supply system.
特點 Characteristic
該閥采用全通道流線型設計,流體阻力小,流量大,即可減動壓也可減靜壓。
The valve adopts full channel flow line design, the fluid resistance is small, the flow is big, can reduce dynamic pressure also can reduce static pressure.
原理 Principle
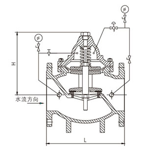
介質進入閥體下腔,向上推動閥瓣,同時介質經主閥外控制管進入隔膜上腔,上腔的壓力由導閥調節。上腔與閥體下腔的壓力差決定了閥瓣的上下運動,從而改變出口壓力。當上腔與下腔壓力相同時,閥瓣停在某一位置,出口壓力保持不變,起到穩壓的作用。
The medium enters the lower chamber of the valve body and pushes the disc upward, while the medium is controlled by the outer control tube of the main valve into the diaphragm chamber. The upper chamber pressure is regulated by the guide valve. The pressure difference in the upper chamber and the lower chamber of the valve body determines the movement of the disc to change the outlet pressure. When the upper chamber is under pressure with the lower cavity, the disc stops at a certain position and the outlet pressure remains constant, acting as a stabilizing force.
執行標準 Executive standard
法蘭尺寸 Flange dimensions:GB/T 17241.6
試驗檢驗 Test test:GB/T 13927
安裝圖典型 Installation diagram

高能閥門集團有限公司 |
|||||||||||||||||||||
|
|||||||||||||||||||||