編輯:太平洋泵業集團有限公司
日期:2020-07-26 訪問:3681

一、ISG型立式管道離心泵產品簡介
ISG離心管道泵是采用單級單吸立式離心泵,它是在IS的基礎上進行改造的,變成結構緊湊的泵,他沒有像IS離心泵那樣的有聯軸器,是泵的葉輪直接連接在電機的軸上,電機也可以換成防爆電機,可以用于輸送油等物質,材質鑄鐵也可以該換成不銹鋼材質,以用于輸送腐蝕性液體,如果把材質換成不銹鋼,電機換成防爆電機,那樣就可以輸送易燃易爆的物質。在一般立式泵的基礎上進行巧妙組合設計制造,同時根據適用溫度、介質的不同在ISG型立式管道泵的基礎上派生出熱水管道泵、高溫管道泵、腐蝕性化工泵、油泵等系列產品,ISG管道泵具有高效節能、嗓音低、性能可靠等優點。
二、ISG型立式管道離心泵特點
1、泵為立式結構,進出口口徑相同、且位于同一中心線上,可像閥門一樣安裝于管路之中,設有安裝底腳,增加泵的穩定性,外形緊湊美觀,占地面積小,建筑投入低。
2、ISG管道泵葉輪直接安裝在電機的加長軸上,軸向尺寸短,結構緊湊,泵與電機軸承配置合理,能有效地平衡泵運轉產生的徑向和軸向負荷,從而保證了泵的運行平穩,震動噪音低。
3、軸封采用機械密封或機械密封組合,采用進口鈦合金密封環、中型耐高溫機械密封和采用硬質合金材質,耐磨密封,能有效地增長機械密封的使用壽命。
4、ISG管道泵安裝檢修方便,無需拆動管路系統,只需卸下泵聯體螺母即可抽出全部轉子部件。
5、可根據使用要求即流量和揚程的需要采用泵的串、并聯運行方式。
6、可根據管路布置的要求采用泵的豎式和橫式安裝。

三、ISG型立式管道離心泵主要用途
1、ISG離心管道泵,供輸送清水及物理化學性質類似于清水的其他液體之用,適用于工業和城市給排水,高層建筑增壓送水,園林灌溉,消防增壓及設備配套,適用溫度T:≤80℃。
2、IRG(GRG)型熱水(高溫)循環泵廣泛適用于能源、冶金、化工、紡織、造紙、以及賓館飯店等鍋爐高溫熱水增壓循環輸送及城市采暖系統循環用泵,IRG適用溫度T:≤120℃、GRG適用溫度T:≤240℃。
3、IHG型管道化工泵,供輸送不含固體顆粒,具有腐蝕性,粘度類似于水的液體,適用于石油、化工、冶金、電力、造紙、食品、 制藥和合成纖維等部門,適用溫度T:-20℃-120℃。
4、YG型管道油泵,供輸送汽油、柴油、煤油等石油產品,適用溫度T:-20℃-120℃。

四、ISG型立式管道離心泵的工作條件
1 吸入壓力≤1.0MPa,或泵系統最高工作壓力≤1.6MPa,即泵吸入口壓力+泵揚程≤1.6MPa,泵靜壓試驗壓力為2.5MPa。訂貨時請注明系統工作壓力,泵系統工作壓力大于1.6MPa時應在訂貨時另行提出,以便在制造時泵的過流部件和聯接部分采用鑄鋼材料。
2 環境溫度<40℃,相對濕度<95% 。
3 所輸送介質中固體顆粒體積含量不超過單位體積的0.1% ,粒度<0.2mm 。
注:如使用介質為帶有細小顆粒,請在訂貨時說明,以便廠家采用耐磨式機械密封。
五、ISG型立式管道離心泵型號及意義

六、ISG型立式管道離心泵主要性能參數(380V 2900轉速)

五、ISG型立式管道離心泵結構說明





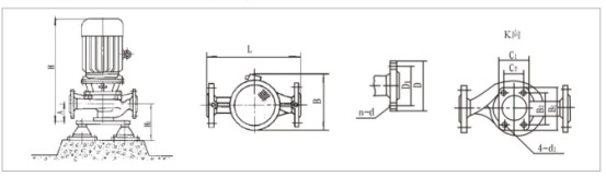
ISG系列立式管道離心泵(安裝方式示意圖)

太平洋泵業集團有限公司 |
|||||||||||||||||||||
|
|||||||||||||||||||||